| 地盤改良の計算(旧:浅層改良地盤の計算T)の御紹介 |
|---|
ソフトの名称
「セメント系固化材による地盤改良計算」 Ver3.11 (登録 2019/1/5)
ソフトの内容・特徴
- 軟弱層上に設置される直接基礎の支持地盤計算および、セメント系固化材による地盤改良仕様(改良深さ、改良幅、許容地盤支持力)を計算します。
- 必要改良深さを自動計算により求めることができます。(改良深さを指定して計算することも可能)
- 複数地盤における計算が可能です。
- 計算方法は、「道路土工・擁壁工指針」(P132〜136)に示された方法に拠ります。
ソフトの適用分野
- セメント系固化材による地盤改良(改良幅・改良深度)検討
- 浅層混合、中層混合および深層混合改良のいずれにも対応
ソフトの価格 (ライセンスについては下方のライセンス条項をお読み下さい)
- シェアウエア価格 : \5,000 (消費税込み)
ソフトの解説書と計算例
試用版のダウンロード
下のボタンを押して、試用版をダウンロードすることができます。試用版には入力の一部に制限がありますが、機能などの内容は正規版と同じです。※下のボタンからダウンロードできない場合は ここから → ダウンロード
※:ダウンロードファイルはZIP型式の圧縮ファイルです。任意のフォルダで解凍してください。
正規版の購入方法
[購入方法]銀行振込みを利用して送金手続きを取ってください。
送金の後、以下の内容をメールで連絡ください。→ soft@civiltec.co.jp
質問、要望等ございましたら併せてご記入ください。
必要な方には 請求書、領収証を発行致します。
ご入金の確認が取れ次第、速やかに正規版をメールにてお送りします。
- お申し込みソフト名 (地盤改良の計算)
- ご利用者または担当者の氏名(法人名)
- 同上の住所 (領収証が必要な場合は必須)
- 同上の メールアドレス(必須)
- お振り込み日
- 振込先銀行名 : PayPay銀行 (銀行番号 0033)
- 支店名 : 本店営業部 (支店番号 001)
- 口座番号 : 6791950 (普通口座)
- 口座名義 : 有限会社 シビルテック
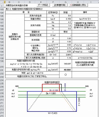
スクリーンショット
■計算条件入力画面

■計算結果画面の一部

■計算結果画面の一部


■計算結果画面の一部

■計算結果画面の一部

本ソフトのサポートについて
- サポート期間は購入後3年間とします。
- サポート期間中のバージョンアップは無料とします。
- Ver2.*以前のサポートは打ち切りとさせて頂きます。
- 「道路土工・擁壁工指針 平成24年度版」が出版された以降(H24年7月以降)に購入された旧ユーザー様には最新版(Ver3)を無償にて提供します。必要な方はメールにてお申し込み下さい。
本ソフトを作成する際に参考とした文献
- 「道路土工・擁壁工指針 平成24年度版(P132〜136)」 (社)日本道路協会
- 「道路橋示方書・同解説 W下部構造編(P297〜305)」 日本道路協会
- 「セメント系固化剤による地盤改良マニュアル」(セメント協会)
動作環境
- OS :Microsoft Windows XP / VISTA / 7 / 8
- Microsoft EXCEL 2003 / 2007 / 2010
- EXCEL 2003/2007/2010で動作確認済み
ライセンス条項
・本ソフトウエアは1ライセンス1事業所でご利用ください。
例)東京と大阪に事業所がある場合で、両事業所でご使用になる場合は2ライセンスお買い求めください。
・ライセンス期間(サポート期間)は3年間とします。ただし、大幅な改訂を行った場合等には、再購入していただく事もあります。
例)東京と大阪に事業所がある場合で、両事業所でご使用になる場合は2ライセンスお買い求めください。
・ライセンス期間(サポート期間)は3年間とします。ただし、大幅な改訂を行った場合等には、再購入していただく事もあります。
お客様の同意について
当ソフトを使用したことにより生じたいかなる損害に対して作成者および掲載者は一切の責任を負いません。
あらゆる損害の免責をご承諾いただくことを使用条件と致します。
ソフトの更新履歴
- 2019/01/05
- Ver.3.11 :最大鉛直地盤反力度の入力欄を追加(圧縮応力度照査用)
- 2016/07/25
- Ver.3.10 :ファイルタイプをEXCEl2013(以降)のマクロ型式に変更
- 2014/04/25
- Ver.3.03 :水中なのに大気中のγで計算される場合があったので修正
- 2013/10/03
- Ver.3.02a :持力係数(Nc)関数の見直しを行いました
- 2013/09/29
- Ver.3.02 :支持力計算に使う基礎有効幅の誤りを修正
- 2013/05/21
- Ver.3.01 :上載土荷重計算の誤りを修正(Be→B)
- 2010/10/27
- Ver.3.0 :「道路土工・擁壁工指針 平成24年度版」対応
- 2010/10/27
- Ver.2.03 :土の単位体積重量の入力法を修正
- 2009/09/09
- Ver.2.02 :計算結果の備考欄に地層名を表示
- 2009/09/01
- Ver.2.01 :コメント欄の表示の不具合を修正
- 2008/06/02
- Ver.2.0 :根入れ効果を考慮、支持力係数(Nr)の見直し
- 2003/10/18
- Ver.1.1 :寸法効果を考慮
- 2003/09/30
- Ver.1.0 :初期バージョン

